Descărcați acest articol în format .PDF
O pompă de încărcare este un tip de circuit de alimentare în comutație (SMPS) care este utilizat ca un convertor sau regulator de curent continuu cu un control de reacție adecvat. Pompa de sarcină este adesea trecută cu vederea atunci când se ia în considerare un nou proiect care necesită aceste circuite. Datorită simplității sale și a altor beneficii, pompa de încărcare poate fi o alegere mai bună decât utilizarea unui regulator liniar cu scădere de tensiune (LDO) sau a unui regulator în comutație care utilizează un inductor. În următorul dvs. proiect, este posibil să doriți să luați în considerare acest circuit clasic și avantajele sale.
Bazele pompei de încărcare
Circuitul de bază al pompei de încărcare este un convertor CC-CC în comutație care este adesea necesar în proiectele care necesită mai mult de o tensiune de alimentare CC. Este alcătuit din comutatoare și condensatori. Întrerupătoarele sunt de obicei diode în modelele discrete, dar sunt și MOSFET-uri în versiunile cu circuite integrate. Condensatoarele sunt electrolitice sau ceramice, în funcție de viteza de comutare. Nu este nevoie de un inductor.

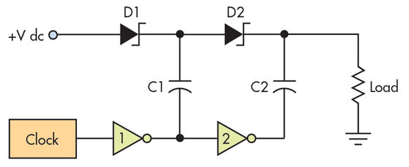
1. Configurația de bază a dublatorului de tensiune este cel mai comun circuit de pompă de sarcină.
Figura 1 prezintă pompa de sarcină de bază care este conectată ca un dublator de tensiune. Funcționarea este un ciclu de încărcare-descărcare în două etape în care condensatorul „zburător” C1 se încarcă apoi se descarcă în C2. Când ceasul conduce ieșirea invertorului 1 la nivel scăzut, D1 este polarizat în sens direct, încărcând C1 la V dc. D2 este oprit în acest moment. Apoi, ceasul comandă ieșirea invertorului 1 la nivel înalt la V dc.
Figura 2 prezintă câteva exemple de pompe de încărcare discrete care utilizează popularul circuit integrat de temporizare 555. Figura 2a este un dublator de tensiune. Temporizatorul 555 funcționează ca un multivibrator astabil cu o frecvență stabilită de R1, R2 și C1. Unda dreptunghiulară de ieșire de la pinul 3 trece de la +5 V la aproape de masă. Când pinul 3 este jos, C3 se încarcă prin D1 la +5 V. Când pinul 3 ajunge la +5 V, D2 conduce, conectând +5 V de la temporizator în serie cu +5 V pe C1, încărcând astfel C4. Ieșirea este de +10 V, mai puțin căderile de diodă.Încărcarea pe C1 este acum în serie cu V dc de la invertorul 1. Ieșirea invertorului 2 este scăzută, astfel încât D2 este polarizat în sens direct și C2 se încarcă la 2 V dc. Ieșirea pe sarcină este de 2 V c.c., mai puțin căderile directe ale diodelor și orice pierderi în invertoare. Diodele Schottky sunt preferate din cauza căderilor mai mici de tensiune directă și a vitezelor mari de comutare. Vitezele de ceas pot fi cuprinse între 10-kHz și 2-MHz. Dacă se adaugă mai multe segmente de diode și condensatoare, tensiunea se poate tripla sau cvadrupla (sau chiar mai mult).


2. Popularul circuit integrat al temporizatorului 555 poate fi conectat ca un dublator de tensiune (a), sau ca un invertor de tensiune (b).
Pompa de sarcină poate fi configurată ca un invertor de tensiune, așa cum se vede în figura 2b. Cu pinul 3, condensatorul C3 de +5 V se încarcă prin D1. Când pinul 3 trece la masă, D2 este polarizat în sens direct și C3 se descarcă în C4. Aici, alimentarea de +5 V este convertită într-o ieșire de aproximativ -5 V, mai puțin căderile de diodă. Un astfel de circuit invertor este util atunci când este nevoie de o alimentare negativă. Un exemplu este atunci când sunt necesare alimentări plus și minus pentru un amplificator operațional.
Toate pompele de sarcină sunt un amestec de comutatoare și condensatoare. Cele mai multe pompe de sarcină integrate folosesc comutatoare MOSFET cu o rezistență mică la pornire și un ceas integrat. Condensatorii sunt întotdeauna externi la circuitul integrat, astfel încât tipul și mărimea pot fi selectate în funcție de viteza ceasului și de cerințele de ondulație. Circuitul poate fi sau nu poate fi reglat.
Figura 3 prezintă câteva configurații comune utilizate în pompele de încărcare cu circuit integrat. Comutatoarele sunt MOSFET-uri – comutatoarele S2 și S3 comută împreună, la fel ca și S1 și S4. Oscilatorul intern comandă comutatoarele.


3. O pompă de sarcină cu circuit integrat obișnuită este configurată cu comutatoare MOSFET interne și condensatori și reglaj extern (a). Este prezentat un circuit de pompă de sarcină cu circuit integrat de inversare a tensiunii (b).
Fig. 3a prezintă configurația clasică a dublatorului de tensiune. Cu S2 și S3 închise și S1 și S4 deschise, condensatorul „zburător” C1 se încarcă la tensiunea de intrare V dc. În următoarea jumătate de ciclu, S2 și S3 se deschid, în timp ce S1 și S4 sunt închise. C1 este conectat în serie cu tensiunea de intrare, iar combinația încarcă C2. Ieșirea este de 2 V dc, mai puțin căderile MOSFET-ului. Observați divizorul de tensiune de reacție care asigură reglarea.
În Fig. 3b este prezentată o versiune inversoare. Cu S2 și S3 închise și S1 și S4 deschise, condensatorul „zburător” C1 se încarcă la tensiunea de intrare V dc. În următoarea jumătate de ciclu, S1 și S3 se deschid, în timp ce S2 și S4 sunt închise. C1 se descarcă în C2. Cu capătul superior al lui C2 împământat, ieșirea la celălalt capăt este -V dc.
Aplicații tipice
Pompele de încărcare sunt ideale pentru proiectele care utilizează o sursă de alimentare principală mai mare, cu o singură tensiune, care furnizează cea mai mare parte a puterii, dar care necesită surse de tensiune auxiliare de curent mai mic. În prezent, multe circuite integrate și componente necesită tensiuni multiple. Acestea pot fi deseori generate cu o pompă de sarcină.
Un exemplu clasic este circuitul integrat cu pompă de sarcină MAX232 care a generat sursele de ±3- până la 25 V necesare pentru a alimenta popularele circuite integrate de comandă și recepție a liniei de interfață serială RS-232 de la o sursă de alimentare de 5 V. Un alt exemplu implică necesitatea de a alimenta un transceiver USB de la o sursă de alimentare a bateriei de tensiune mai mică. Sursele de polarizare TFT-LCD reprezintă încă un exemplu.
Câteva microprocesoare necesită o sursă de alimentare auxiliară, la fel ca multe EEPROM-uri și memorii flash. Cele mai multe folosesc pompe de sarcină pe cip pentru a furniza aceste tensiuni suplimentare.
Beneficii și dezavantaje ale pompelor de sarcină
O pompă de sarcină deține câteva avantaje cheie față de alte tipuri majore de convertoare și regulatoare dc-dc:
– Simplitate.
– Cost redus. Mai puține componente. Fără inductor.
– Spațiu mai mic pe PCB. Fără inductor. Mai puțină înălțime.
– Eficiență mai mare decât cea liniară. Îmbunătățire estimată la 20%.
– Disponibil în configurații buck, boost și inverting.
– Mai mulți furnizori de circuite integrate.
Nimic nu este perfect pentru fiecare proiect, dar dezavantajele pompelor de sarcină sunt puține:
– Cel mai bun pentru sarcini mici (
– Interferențe electromagnetice (EMI). Este încă un circuit în mod de comutație, deci generează unele EMI.
– Mai puțin eficient decât proiectele bazate pe inductor.
Compararea alternativelor
Când proiectați un produs, opțiunile dvs. de convertor dc-dc și regulator sunt pompa de sarcină, LDO și circuitele în mod de comutație bazate pe inductor. Tabelul rezumă avantajele și dezavantajele fiecăruia.

Note de proiectare
Pentru proiectele discrete, diodele Schottky sunt o necesitate pentru comutare rapidă și căderi de tensiune mai mici (0,2 până la 0,4 V). În ceea ce privește condensatorii, se pot folosi cei electrolitici sau cu tantal pentru comutare la frecvențe mai mici. Cu toate acestea, rezistența lor serie echivalentă ridicată (ESR) face ca circuitul să fie mai puțin eficient.
Pentru proiectele de circuite integrate, condensatorii ceramici montați pe suprafață cu ESR scăzută sunt esențiali pentru cea mai bună eficiență. Dimensiunile variază în funcție de vitezele de comutare. Electroliticele sau tantalii nu ar trebui să fie utilizate din cauza ESR-ului lor ridicat. Unele circuite integrate pot provoca, de asemenea, inversarea polarității în timpul funcționării și multe dintre ele provoacă daune. Urmați recomandările producătorului de circuite integrate.
.